rexresearch.com

Hodowanec Index 


Gregory HODOWANEC

Rhysmonic Cosmology




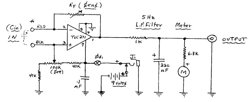
Gravimeter Circuit # 6000-A

( 12-12-1991 )
 
 

Remarks:

1. Circuit is made in an aluminum box but the detector capacitance is external (binding posts).

2. Jack, J1, is for external 9V adapter plug supply.

3. 3.2 V on meter scale ~ 32 ft/sec2 (value of nominal g). Increase in g reads up-scale (Tracks with postal scale).

* Some IC devices may develop an instability (slow oscillation). A small resistance, order of 27 to 150 ohms, will stabilize such devices when placed in one leg of the capacitance. A 1 K variable subminiature pot will enable the experimenter to adjust this resistance for the minimum value for stability.