rexresearch
rexresearch1
Hodowanec Index

Gregory HODOWANEC
Rhysmonic Cosmology


Mini-MRA Circuit #FE-6B Revisited as Ckt. FE-6C (6-23-01)

I. Mini-MRA Circuit #FE-6B Revisited as Ckt. FE-6C

A. Background

This circuit was featured in the July-September 1995 issue of Extraordinary Science Magazine. The circuit was originally intended as a Demo Unit. It was sent to McClain and Wootan, who modified it somewhat to limit performance range and then had it sent to three independent labs in the Georgia area for evaluation. All three labs confirmed power gains in the order of 10-21 times! It was eventually returned to me and I verified their data. I have now restored the original circuitry and made some tests using a 25 MHz scope rather than digital voltmeters.

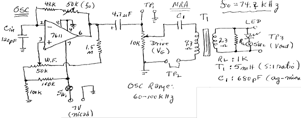
B. The Restored FE-6C Circuit

Figure (1) ~ Notes: Input LED was eliminated. Output LED was made switchable. Input waveforms were distorted due to the proximity of MRA scalar fields. Output waveform: good sinewaves. Pout~ saturation?

C. Initial Test Results

VG~ 6 V (pk-pk) ~ 4.2 V (rms)


iG ~ VG / RG~ 4.2 / 10K ~ 0.42 mA (rms)
Real Pin ~ VG x iG ~ 4.2 x 4.2 ~ 1.8 mW (rms)
Vout ~ 10V (pk-pk) ~ 7.1V (rms)
Iout~ Vout / RL ~ 7.1 / 1K ~ 7.1 mA (rms)
Real Pout ~ Vout x iout~ 7.1 x 7.1 ~ 50.4 mW (rms)
P.G. ~ Pout / Pin~ 50.4 / 1.8 ~ 28x ~ loaded circuit Q!

II. Conclusions

(1) Circuit FE-6C, except for some distortion in input waveform appears to yet work well (Will try to improve the waveform).

(2) Output LED (18 mW unit) is used only to set fo for maximum Pout.